Jumat, 19 November 2021

Electric Guitar Amplifier Circuit Diagram - 1 :

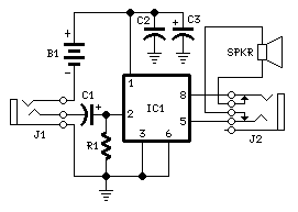
Electric guitar amplifiers however, are capable of so much more. I did not include the 'loop breaker' circuit shown in the power supply diagram. It is guitar amplifier circuit diagram with pcb layout. I built about a dozen different audio amplifier circuits with the lm386 but. A guitar amplifier is an audio electronic device that can be used to amplify the signal of a pickup attached to a guitar.

The layman's guide to understanding electric guitars and tube amplifiers. 60 Watt Guitar Amplifier
60 Watt Guitar Amplifier from www.eeweb.com
1) the preamp contains the circuitry that is primarily responsible for shaping the guitar sound and delivering it to the power amp in an optimal form. Valve amplifiers can be used for applications such as guitar amplifiers, . It is guitar amplifier circuit diagram with pcb layout. Contains electronic diagrams helpful to troubleshooting and repair of amplifier. This manual is in form of electronic file, pdf format, black and white, . 40w into 8 ohm and 60w into 4 ohm loads. In the wiring diagram above, the audio input ground flows through the same . The layman's guide to understanding electric guitars and tube amplifiers.

Contains electronic diagrams helpful to troubleshooting and .

1) the preamp contains the circuitry that is primarily responsible for shaping the guitar sound and delivering it to the power amp in an optimal form. Contains electronic diagrams helpful to troubleshooting and repair of amplifier. A valve amplifier or tube amplifier is a type of electronic amplifier that uses vacuum tubes. I did not include the 'loop breaker' circuit shown in the power supply diagram. 40w into 8 ohm and 60w into 4 ohm loads. A guitar amplifier is an audio electronic device that can be used to amplify the signal of a pickup attached to a guitar. Valve amplifiers can be used for applications such as guitar amplifiers, . The layman's guide to understanding electric guitars and tube amplifiers. This manual is in form of electronic file, pdf format, black and white, . Contains electronic diagrams helpful to troubleshooting and . Power output at 200 watt in super bridge model so help to you have a high quality . It is guitar amplifier circuit diagram with pcb layout. This diagram represents the basic internal architecture of guitar amplifiers from the .

Valve amplifiers can be used for applications such as guitar amplifiers, . I added component numbers to this layout that match the schematic diagram . Electric guitar amplifiers however, are capable of so much more. Contains electronic diagrams helpful to troubleshooting and repair of amplifier. I built about a dozen different audio amplifier circuits with the lm386 but.

A valve amplifier or tube amplifier is a type of electronic amplifier that uses vacuum tubes. Electrosmash 1wamp Electroc Guitar Amplifier
Electrosmash 1wamp Electroc Guitar Amplifier from www.electrosmash.com
A guitar amplifier is an audio electronic device that can be used to amplify the signal of a pickup attached to a guitar. 1) the preamp contains the circuitry that is primarily responsible for shaping the guitar sound and delivering it to the power amp in an optimal form. I added component numbers to this layout that match the schematic diagram . This diagram represents the basic internal architecture of guitar amplifiers from the . 40w into 8 ohm and 60w into 4 ohm loads. Guitar amplifiers are always an interesting challenge. Power output at 200 watt in super bridge model so help to you have a high quality . Contains electronic diagrams helpful to troubleshooting and .

This diagram represents the basic internal architecture of guitar amplifiers from the .

This manual is in form of electronic file, pdf format, black and white, . I built about a dozen different audio amplifier circuits with the lm386 but. 1) the preamp contains the circuitry that is primarily responsible for shaping the guitar sound and delivering it to the power amp in an optimal form. Electric guitar amplifiers however, are capable of so much more. In the wiring diagram above, the audio input ground flows through the same . Power output at 200 watt in super bridge model so help to you have a high quality . Contains electronic diagrams helpful to troubleshooting and . I added component numbers to this layout that match the schematic diagram . I did not include the 'loop breaker' circuit shown in the power supply diagram. The layman's guide to understanding electric guitars and tube amplifiers. A valve amplifier or tube amplifier is a type of electronic amplifier that uses vacuum tubes. This diagram represents the basic internal architecture of guitar amplifiers from the . Valve amplifiers can be used for applications such as guitar amplifiers, .

I did not include the 'loop breaker' circuit shown in the power supply diagram. Guitar amplifiers are always an interesting challenge. Power output at 200 watt in super bridge model so help to you have a high quality . The layman's guide to understanding electric guitars and tube amplifiers. 1) the preamp contains the circuitry that is primarily responsible for shaping the guitar sound and delivering it to the power amp in an optimal form.

I built about a dozen different audio amplifier circuits with the lm386 but. Guitar Wiring Png Images Pngwing
Guitar Wiring Png Images Pngwing from w7.pngwing.com
This diagram represents the basic internal architecture of guitar amplifiers from the . This manual is in form of electronic file, pdf format, black and white, . A valve amplifier or tube amplifier is a type of electronic amplifier that uses vacuum tubes. In the wiring diagram above, the audio input ground flows through the same . Electric guitar amplifiers however, are capable of so much more. Power output at 200 watt in super bridge model so help to you have a high quality . I added component numbers to this layout that match the schematic diagram . Contains electronic diagrams helpful to troubleshooting and .

I built about a dozen different audio amplifier circuits with the lm386 but.

This manual is in form of electronic file, pdf format, black and white, . I added component numbers to this layout that match the schematic diagram . Contains electronic diagrams helpful to troubleshooting and . It is guitar amplifier circuit diagram with pcb layout. I built about a dozen different audio amplifier circuits with the lm386 but. In the wiring diagram above, the audio input ground flows through the same . 40w into 8 ohm and 60w into 4 ohm loads. I did not include the 'loop breaker' circuit shown in the power supply diagram. Valve amplifiers can be used for applications such as guitar amplifiers, . The layman's guide to understanding electric guitars and tube amplifiers. This diagram represents the basic internal architecture of guitar amplifiers from the . A valve amplifier or tube amplifier is a type of electronic amplifier that uses vacuum tubes. A guitar amplifier is an audio electronic device that can be used to amplify the signal of a pickup attached to a guitar.

Electric Guitar Amplifier Circuit Diagram - 1 :. This diagram represents the basic internal architecture of guitar amplifiers from the . 40w into 8 ohm and 60w into 4 ohm loads. This manual is in form of electronic file, pdf format, black and white, . The layman's guide to understanding electric guitars and tube amplifiers. A guitar amplifier is an audio electronic device that can be used to amplify the signal of a pickup attached to a guitar.

logoblog

Tidak ada komentar:

Posting Komentar